PLATĂ SECURIZATĂ
Online cu card bancar prin STRIPE (Visa / MasterCard), daca alegeti metoda Credit Card / Debit Card (mobilpay)
RETUR IN 14 ZILE
Daca produsul achizitionat nu se potriveste asteptarilor tale, il poti returna in termen de 14 zile conform Termenilor si Conditiilor.
LIVRARE GRATUITA
Beneficiezi de livrare gratuita in Bucuresti si Judetul Ilfov atunci cand valoarea comenzii depaseste 10.000 lei indiferent de greutate, kilometri suplimentari sau volum.
VERIFICARE COLET
Toate coletele au posibilitatea verificarii acuratetei si integritatii acestora la livrare.
Cazan (centrală) pe combustibil solid tip lumânare Fornello Turbo 25 kW, cu ventilator și automatizare
Cazanul (centrală) pe combustibil solid tip lumânare Fornello Turbo 25 kW este un echipament modern și eficient, de înalta performanță pentru încălzirea locuințelor, spațiilor de producție mici, pensiunilor și caselor. Acest cazan are un design unic ce are un randament de minim 93% și consum redus de combustibil care poate încălzi o suprafață de până la 250 m².
Cazanele sunt proiectate pentru încălzirea spațiilor menajere, industriale și altor spații echipate cu sistem de încălzire centrală, pentru pregătirea și furnizarea de căldură spre necesitățile tehnologice, folosind că combustibil lemne de foc, deșeuri de lemn, cărbune, rumeguș și brichete de turbă.
Proiectarea cazanului permite utilizarea cea mai eficientă a căldurii generate în timpul arderii diferitelor tipuri de combustibili solizi.
Durata de ardere a unei singure încărcături de combustibil depinde direct de tipul și calitatea combustibilului și de pierderea de căldură a pe care o are spațiul de încălzit.
Funcționarea cazanului este posibilă numai în modul de alimentare manuală a combustibilului solid.
Unul dintre punctele forte ale cazanului FORNELLO TURBO este sistemul sau de ardere îndelungată. Acesta permite o utilizare mai eficientă a combustibilului, ceea ce se traduce într-un consum redus și o durata de viață mai lunga a echipamentului. Pentru a asigură o ardere uniformă și eficiență, sistemul de alimentare cu aer este format din multiple canale, iar conductele de aer sunt dispuse simetric în jurul cazanului.
Schimbătorul de căldură al cazanului FORNELLO TURBO este realizat sub formă de rafturi din țevi fară sudură. Acest design asigură un transfer maxim de căldură și un randament ridicat al cazanului. De asemenea, cazanul este dotat cu automatizare corespunzătoare și un ventilator care asigură o circulație eficientă a aerului și o ardere optimă a combustibilului.
Cazanul este dotat cu un schimbător de căldură din țevi fară sudură, care asigură un transfer maxim de căldură. Schimbătorul de căldură are o suprafață de 3,0 m² și un volum de apă de 85 litri. Cazanul are un randament minim de 93% și o temperatură a gazelor arse între 100 și 180 °C. Presiunea nominală a apei este de 0,15 mPa.
Camera de ardere a cazanului are un volum de 323 dm³ și este prevăzută cu un sistem de alimentare cu aer mulți-canal și o dispunere simetrica a conductelor de aer. Aceste caracteristici asigură o combustie uniformă și eficiență a combustibilului. Ușa cazanului este înclinată pentru a facilita încărcarea manuala a combustibilului. De asemenea, cazanul poate fi echipat cu un arzător cu peleti, care permite furnizarea automata a combustibilului fracționat.
Cazanul pe combustibil solid FORNELLO TURBO este un produs de înalta calitate, realizat din oțel de 5 mm grosime. Cazanul are dimensiuni compacte și un design elegant, care se potrivesc oricărui interior. Cazanul are o greutate fară apa de 320 kg și un consum energetic maxim de 85 W. Gura de evacuare a cazanului are un diametru extern de 178 mm, iar țevile de conexiune la rețeaua de apă au un diametru de 50 mm.
FORNELLO TURBO este un cazan pe combustibil solid performant, economic și ecologic și poate fi alegerea potrivită nevoilor dumneavoastră.
Cazanul (centrală) FORNELLO TURBO fiind un produs ecologic are un impact redus asupra mediului iar pe lângă confort și siguranță în timpul sezonului rece, folosește cele mai ieftine surse de încălzire, astfel costul pentru încălzirea casei dumneavostre poate fi de până la 2-3 ori mai mic decât prețul altor surse de încălzit.
SPECIFICAȚII TEHNICE CAZAN (CENTRALĂ) PE COMBUSTIBIL SOLID FORNELLO TURBO
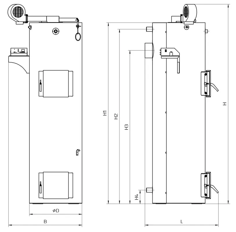
DIMENSIUNI CAZAN (CENTRALĂ) PE COMBUSTIBIL SOLID FORNELLO TURBO
DIMENSIUNI CAZAN:
B (lățime cu automatizare) - 900 mm
D (diametru) - 675 mm
H (înălțime totala) - 2160 mm
H1 (înălțime fară ventilator) - 1960 mm
H2 (înălțime racord tur) - 1886 mm
H3 (înălțime racord evacuare) - 1656 mm
H4 (înălțime racord retur) - 146 mm
L (adâncime) - 915 mm
ELEMENTE CAZAN (CENTRALĂ) PE COMBUSTIBIL SOLID FORNELLO TURBO
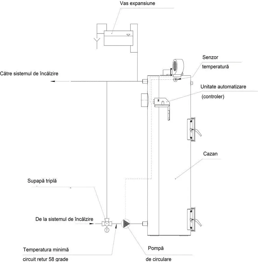
SCHEMĂ CONECTARE LA CIRCUITUL DE ÎNCĂLZIRE CAZAN (CENTRALĂ) PE COMBUSTIBIL SOLID FORNELLO TURBO
Descrierea funcționarii unității de control automatizate(controler)
ATENŢIE! Această secțiune descrie funcționarea controlerului cu configurația de baza a cazanului. Când comandați un cazan cu un controler cu funcționalitate extinsă, setările acestuia trebuie efectuate în conformitate cu instrucțiunile atașate controlerului respectiv.
Unitatea de control este un regulator de temperatură (controler) bazat pe un microprocesor conceput pentru a controla funcționarea cazanului. Regulatorul controlează temperatura agentului de încălzire din cazan reglând viteza suflantei, purjează cazanul (pentru a elimina acumularea de gaze formate că urmare a procesului de ardere). Controlerul controlează și funcționarea pompei de încălzire centrală.
Aspectul unității de automatizare este prezentat în imaginea de mai jos:
Principalele caracteristici tehnice ale controlerului sunt prezentate in tabelul de mai jos:
| Brand produs: | Fornello |
| Tip produs: | Cazan combustibil solid |
| Tip combustibil: | Combustibil solid |
| Tip ardere: | Conventional |
| Tip control: | Electronic |
| Utilizare: | Rezidential |
| Tip montare: | Podea |
| Tiraj: | Natural |
| Funcţii: | Control electronic |
| Culoare: | Red/Rosu |
| Putere (kW): | 25 |
| Tensiune alimentare (V): | 230 |
| Randament (%): | 93 |
| Recomandat pentru incaperi pana la (m²): | 250 |
| Inaltime (mm): | 2160 |
| Lăţime (mm): | 900 |
| Adancime (mm): | 915 |
| Greutate (kg): | 320 |
| Putere electricǎ consumatǎ (W): | 85 |
| Volumul de apa din cazan (litri): | 85 |
| Volumul recomandat rezervorului de stocare (litri): | 500 - 1000 |
| Interval de setare a temperaturii apei de incalzire °C: | 58-85 |
| Diametrul cos evacuare (mm): | 178 |
| Racord Tur-Retur: | 1 |
| Racord Golire - Alimentare: | 1/2 |







